Stocker Stahl AG Logo

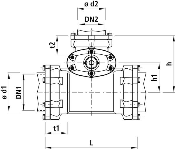
Steckmuffen-Combi-T HAWLE 4350

Beschreibung:
  • System 2000
  • PE- und PVC-Rohre können direkt und schubgesichert montiert werden
  • bei dickwandigen PE-Rohren ist das System ohne Stützhülse einsetzbar
  • bei dünnwandigen PE-Rohren unter 3 mm Wandstärke sowie bei Unterdruckleitungen wird die Verwendung einer Stützhülse vorgeschrieben
  • Gehäuse aus Sphäroguss EN-GJS-400 (GGG 40)
  • EWS-Beschichtung nach GSK, RAL-GZ 662, Schichtdicke min. 250 µm
  • mit Dichtung EPDM
  • ohne Zubehör
  • für Wasser

Betriebstemperatur max. 40 °C
PN 16